



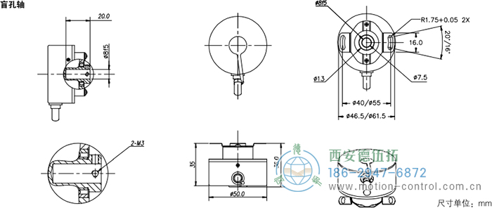
| 外径 | 50 mm(带外罩) |
| 高度 | 36mm |
| 轴径 | 盲孔轴,空心轴:6.8mm;锥轴:9mm,锥度1:10 |
| 锥轴锥度 | 额定锥度2.8624°,公差+0.0208/-0.0250 |
| 连接轴的轴向跳动 | ±0.08mm |
| 连接轴的径向跳动 | ±0.2mm最大(包括轴的垂直度) |
| 机械最高转速 | 12000rpm |
| 防护等级(EN 60529) | IP51(电缆需要朝下安装) |
| 工作温度 | -40℃ ~ +120℃ |
| 存储温度 | -40℃ ~ +120℃ |
| 抗振动(DIN EN 60068-2-6) | 25m/s2(5`2000Hz) |
| 抗冲击(DIN EN 60068-2-27) | 1000m/s2(6ms) |
| 外壳材料 |
轴承座:铝 外壳:铝 轴:黄铜 |
| 重量 | 大约 120g |
| 电源电压 | 直流 5V ± 10% |
| 最大空载电流 |
最大 50mA(增量) 最大175mA(增量+磁级) |
| 增量信号 | A,B |
| 分辨率 | 最大2500ppr(详见订购信息) |
| A到B相位差 | 90°±45° 电气 |
| 最大输出频率 | 250kHz |
| 信号电平 | NPN集电极开路输出,差分线驱动(RS 422) |
| 输出电流 |
RS422±40mA(26LS31) NPN O.C.-16mA(集成2KΩ上拉电阻) |
| 磁极换向信号 | U,V,W相位差120° 电气 |
| Z到U的相位差 | ±1°机械。参考脉冲中心到U通道边沿(详见信号图) |
| 连接 | 径向电缆 |
| 参考信号 | Z |
| 参考信号的脉冲宽度 | 90° |
| 信号 | 颜色 |
|---|---|
| Vcc | 红色 |
| U | 棕色 |
| GND | 黑色 |
| V | 灰色 |
| A | 兰色 |
| W | 白色 |
| A | 兰色/黑色 |
| N.C. | |
| B | 绿色 |
| U | 棕色/黑色 |
| B | 绿色/黑色 |
| V | 灰色/黑色 |
| Z | 紫色 |
| W | 白色/黑色 |
| Z | 紫色/黑色 |
| N.C. |





| 型号 | 脉冲数1 | 极2数 | 安装 | 电气3 | 轴 | 连接 |
|---|---|---|---|---|---|---|
| □ | □ | □ | □ | □ | □ | |
| HC20 |
0050 0512 1000 1024 2000 2048 2500 8192 |
0 无 4 4极 6 6极 8 8极 A 10级 |
0 无弹簧片 1 40mm (1.575") 2 55mm (2.166") |
只有增量信号,≤2048/0(ppr/极) 0 Uinc= 5V, 输出inc=NPN-O.C.-信号格式A C Uinc= 5V, 输出inc=NPN-O.C.-信号格式B ------ 3 Uinc= 5V, 输出inc=RS 422-信号格式A D Uinc= 5V, 输出inc=RS 422-信号格式B ------ 6 Uinc= 5V,输出inc=RS 422; Ucom= 5V,输出com=NPN-O.C.-信号格式A E Uinc= 5V,输出inc=RS 422; Ucom= 5V,输出com=NPN-O.C.-信号格式B 9 Uinc= 5V,输出inc=RS 422; Ucom= 5V,输出com=RS 422-信号格式A F Uinc= 5V,输出inc=RS 422; Ucom= 5V,输出com=RS 422-信号格式B |
0 锥轴(φ9,1:10) 1 盲轴 φ6 2 盲轴 φ8 3 空心轴 φ6 4 空心轴 φ8 |
A 1英尺电缆 B 2英尺电缆 C 3英尺电缆 D 4英尺电缆 E 5英尺电缆 F 6英尺电缆 G 7英尺电缆 H 8英尺电缆 |
| 脉冲数 | 极数 | ||||
|---|---|---|---|---|---|
| 0 | 4 | 6 | 8 | 10(=A) | |
| 500 | × | × | × | × | |
| 512 | × | ||||
| 1000 | × | × | × | × | |
| 1024 | × | × | × | × | |
| 2000 | × | × | × | × | |
| 2048 | × | × | × | × | × |
| 2500 | × | × | × | × | × |
| 8192 | × | × | × | × | × |

在线QQ
186-2947-6872
在线咨询
扫描二维码
添加客服微信号
info@304bxgshuixiang.com
