HC53光电电机反馈编码器
摘要:HC53光电电机反馈编码器针对机床主轴要求设计,最高转速可达12000RPM,高抗冲击和振动性能。安装更简便,允许较大的电机轴公差和对轴位置信号输出的对中调整。安装不需特殊工具。
HC53光电电机反馈编码器
机床主轴专用编码器,空心轴设计便于安装
最高转速达12000RPM
最大脉冲频率可达300kHZ
脉冲数
1024,2500 PPR。其它脉冲数应要求可以定制。
HC53编码器针对机床主轴要求设计,最高转速可达12000RPM,高抗冲击和振动性能。
安装更简便,允许较大的电机轴公差和对轴位置信号输出的对中调整。
优良的光学结构允许内部的器件在很高的环境温度条件下正常工作。高温油脂可以延长轴承的使用寿命。
安装不需特殊工具。
HC53光电电机反馈编码器产品规格
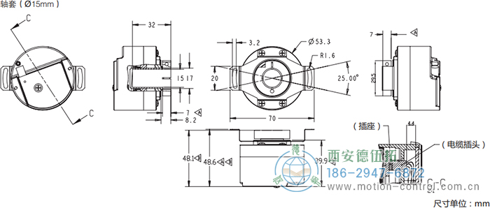
外径:53mm
轴径或孔径:15mm
脉冲数或分辨率:1024,2500
防护等级:IP40
HC53光电电机反馈编码器技术参数
技术数据(机械)
|
外形尺寸
|
外径:53mm(带外罩)
高度:47.6mm
|
|
轴径
|
空心轴:15mm;锥轴:12mm(1:10)
|
|
连接轴的轴向跳动
|
±0.8mm
|
|
连接轴的径向跳动
|
±0.2mm最大。(包括轴的垂直度)
|
|
最高转速
|
12000RPM
|
|
防护等级
|
IP40
|
|
工作温度
|
-20`+120℃
|
|
存储温度
|
-40`+120℃
|
|
相对湿度
|
95%(非冷凝)
|
|
抗振动
|
25m/s2(5`2000Hz)
|
|
抗冲击
|
1000m/s2(6ms)
|
|
材料
|
轴承座:铝
外壳:铝
轴:黄铜
|
|
重量
|
200g
|
技术数据(电气)
|
电源电压
|
直流5V±10%
|
|
最大空载电流
|
175mA
|
|
增量信号
|
A,B
|
|
精度
|
最大2.5角分
|
|
相位检测
|
逆时针,A超前B 90°(从安装轴的方向看)
|
|
A至B的相位差公差
|
±45°电气
|
|
最大脉冲频率
|
300kHz
|
|
信号电平
|
差分线驱动(RS 422)
|
|
输出电流
|
40mA
|
|
连接
|
插头(径向电缆)
|
|
零位信号
|
Z
|
|
零位信号的脉冲宽度
|
180°(门控B高电平)
|
电气连接
|
针脚
|
颜色
|
功能
|
|
1
|
红
|
VCC
|
|
3
|
黑
|
GND
|
|
5
|
蓝
|
A
|
|
7
|
蓝/黑
|
A
|
|
9
|
绿
|
B
|
|
11
|
绿/黑
|
B
|
|
13
|
紫
|
Z
|
|
15
|
紫/黑
|
Z
|
|
16
|
屏蔽层
|
屏蔽
|
信号图
从编码器后盖看,轴逆时针旋转

HC53光电电机反馈编码器外形及安装尺寸

HC53光电电机反馈编码器订货说明
在订货时我们需要确认用户所购买的HC53光电电机反馈编码器的相关参数,以免给您造成不必要的损失。以下是订货时需要确认的一些参数,以及参数说明,供您参考选型。
|
型号
|
轴
|
脉冲数/级数
|
安装
|
电气
|
连接
|
|
□
|
□
|
□
|
□
|
□
|
□
|
|
HC53
|
H 锥孔轴(Φ12mm,锥度1:10 )
D 轴套(Φ15mm )
|
1024/0
2500/01
|
2 60mm 弹簧片
|
3 DC 5V 电源输入,RS 422 输出
|
A 16针插头+0.3米电缆
|
1 2500PPR编码器受300kHz最大脉冲频率限制,最高转速为6000RPM。