HOG10增量重载编码器
摘要:HOG10系列增量重载编码器是用途非常广泛的堡盟增量式重载编码器产品。该系列编码器融合了堡盟在重载编码器领域的丰富经验,具有出色的坚固性和耐用性,始终能够为您的应用提供理想解决方案。即便在恶劣的工况下,HOG10 / POG10旋转编码器也能持续可靠地24小时全天候运行。

HOG10增量重载编码器
设定高标准
出色的可靠性和超长的使用寿命——源自霍伯纳柏林
久经考验的重载设计和两端式轴承设计
高精度抗干扰光感应技术,分辨率高达10,000 ppr
精确的转速信号用于优化过程控制,提高控制性能
HOG10增量重载编码器的优势
HOG10系列增量重载编码器是用途非常广泛的堡盟增量式重载编码器产品。该系列编码器融合了堡盟在重载编码器领域的丰富经验,具有出色的坚固性和耐用性,始终能够为您的应用提供理想解决方案。
即便在恶劣的工况下,HOG10 / POG10旋转编码器也能持续可靠地24小时全天候运行。这对于防止发生故障、避免高昂的停机成本、提高设备或系统的可用性具有重要意义。
即便在苛刻的环境条件下,也具有很高的可用性和超长的使用寿命
久经考验的重载设计;两端式轴承;重载连接技术;坚固的感应技术
1、在任何环境下确保故障安全
坚固耐用的铝制或不锈钢外壳;出色的耐腐蚀性(防腐等级达CX (C5-M));长期稳定的密封设计;工作温度高达+100 °C
2、有效防止轴承受损
两端式轴承设计(只要可行):宽间隙式大尺寸轴承,高承载潜力,可承受高径向和轴向负载;采用陶瓷滚珠混合轴承,无感应轴电流
3、提高应用中的控制性能,优化过程控制
搭载Opto-ASIC芯片,实现抗干扰精确感应,具有出色的电磁兼容性
4、可靠的远距离信号传输
强大的输出驱动器,适用于长达350 m(HTL-P)或550m(TTL)的电缆;可通过光纤传输信号,最远传输1500m
5、通过防爆认证
通过ATEX认证(Ex II 3G / 3D),涵盖几乎所有2区设备
6、产品选型简单灵活
适用于所有常见的安装方式(空心轴、锥孔型、带欧式法兰B10的实心轴);通过重载端子盒进行连接;输出信号为HTL-P / TTL / 正余弦 / 光纤
7、多样化的设计和可选功能
分辨率高达10,000 ppr;EMS功能监测系统;冗余输出;双轴承设计,用于安装额外的设备;双编码器;编码器+机械式超速开关(FSL)或电子式超速开关(ESL)组合;外壳基座(B3);通过DNV认证
8、诊断方便,提高可用性
通过EMS功能监测系统持续监控多项旋转编码器功能;在装配期间便可发现连接错误;缩短调试和故障查找时间
9、应用领域
增量式重载编码器可提供转速和角度信息,分辨率以每圈脉冲数(方波信号)或每圈正弦波数(正余弦信号)来表示。轴每转一圈,编码器就将此信息传输至上游控制系统。为了提高分辨率,可通过控制系统或使用倍频器对正余弦信号进行倍频。
上游控制系统通过在规定时间周期内计算出的脉冲数来识别当前转速,同时通过脉冲数或正余弦波数来识别当前位置。由于编码器信息可能在系统关闭期间丢失,因此在系统重新上电时,需要重新设置参考零点,这样还可以消除在系统关闭期间可能因任何轴旋转造成的错误结果。
增量式重载编码器具有很高的机械承载潜力和出色的坚固性与耐用性,即便在苛刻的环境条件下也能确保可靠运行。
其应用领域包括:钢铁厂和轧钢厂、港口设备和起重机技术、电动葫芦和升降平台、地下和露天采矿、物料搬运设备、大型电机和发电机、风力发电机
HOG10增量重载编码器采用的先进技术
1、经久耐用的两端式轴承设计
凭借无与伦比的径向和轴向负载承受能力,堡盟两端式轴承设计几十年来在机电工程领域久经考验。
只要技术上可行,堡盟重载编码器都会采用两端式轴承设计,从而确保超长的使用寿命和极高的机械承载潜力。
2、久经考验的重载设计
凭借极其坚固的外壳设计,堡盟重载编码器具有超长的使用寿命和无与伦比的可靠性。
这些坚固的实心厚壁外壳能够完美地抵御外部环境影响,
而其抗扭结构设计则能够承受较高的冲击和振动载荷。
3、出色的耐海水腐蚀保护
凭借最优化的材料组合和耐腐蚀性出色的涂层,堡盟重载旋转编码器非常适合在近海和海上等腐蚀性环境中长期可靠使用。
按照EN ISO 12944标准,其防腐蚀等级达到C4或 CX (C5-M)。
如有需要,可提供适用于北极、热带、沙漠等地区的特殊设备。
4、长期稳定的密封设计
精密的堡盟重载密封设计可在很宽的温度范围(高达+95 °C)内实现P 66和IP 67防护等级。
先进的迷宫式密封和轴封组合可以长期保护重载编码器不被各种固体物、湿气和粘性污染物所影响。
5、可靠防止轴电流
如果将旋转编码器安装由变频器控制的电机上,编码器的滚珠轴承中可能出现电流过冲的现象。
润滑剂可能发生局部燃烧,润滑效果会受到影响。
采用电绝缘轴可以解决这种故障。
部分空心轴产品采用绝缘滚珠轴承或混合滚珠轴承,以防止轴电流。
可选配滑环接地触点,将电容性轴电流引导入地。
实心轴编码器则配备带绝缘中心的弹簧垫圈联轴器,以防止出现轴电流。
6、最佳电磁兼容性
堡盟编码器采用霍伯纳柏林久经考验的重载技术,以及根据最新EMC技术进行优化的抗干扰设计。
所有产品通过了电快速瞬变脉冲群抗扰度试验,测试电压最高4 kV
High-power signal output drivers
高性能信号输出驱动器
增量式方波信号输出端配备了具有短路保护功能的高性能输出驱动器,以承受高达300 mA的峰值电流。
即便通过电缆长距离传输350 m( HTL-P)或550 m(TTL),也能确保可靠的信号质量。
7、欧式法兰B10
欧式法兰B10是重载实心轴编码器的全球安装标准。
堡盟提供独一无二的编码器和测速发电机产品系列,均配备欧式法兰B10。
8、集成的功能监测系统
编码器集成了功能监测EMS(增强监测系统)(可选),可对旋转编码器的多个功能进行不间断监测。
这种诊断方式非常方便,可加快连接错误和编码器故障的检测速度,从而提高系统可用性。
编码器状态可以通过错误信号输出,持续不断地传输至控制器。
9、领先的正余弦信号质量
LowHarmonics是一项世界领先的技术,所产生的正弦信号的谐波含量几乎可以忽略不计。
采用LowHarmonics的正弦波编码器可确保更好的控制性能、更少的驱动机构发热,以及更高的能效。
10、多样化的重载组合
在重载产品组合中,重载编码器、测速发电机和超速开关合并为一个坚固的单元。
这样,在各种驱动应用中,除了提供转速信息,其他信号也同时可以提供给控制器进行分析。
重载产品组合使用同一根轴提供多种输出信号, 不仅大大节省安装空间,并确保极高的可靠性和超长的使用寿命。
HOG10增量重载编码器产品系列
1、盲孔型或锥孔型 HOG10G
TTL输出驱动器支持的电缆长度达 500 m
超强的抗冲击和抗振动能力
采用混合轴承,使用寿命更长
180°可调大端子盒或轴向端子盖
2、双编码器含两路电气独立的系统 HOG10G
同一根传动轴,两个编码器
感应单元和连接器分别位于两个独立的外壳中,以保证冗余性
两个平行的端子盒
盲孔型、锥孔型和实心轴
2 x 300 ... 5000 ppr
可设置两种不同的脉冲数
HOG10增量重载编码器技术参数
技术数据 – 电气参数
|
电源电压
|
9…30 VDC
5 VDC ± 5%
|
|
电流消耗(无负载)
|
≤100 mA
|
|
每圈脉冲数
|
300 … 5000
|
|
相移
|
90 ° ±20°
|
|
占空比
|
40…60 %
|
|
参考信号
|
零脉冲,宽度90°
|
|
感应原理
|
光电
|
|
输出频率
|
≤120 kHz
≤300 kHz (可根据需求提供)
|
|
输出信号
|
K1,K2,K0 + 反相信号
故障输出 (EMS功能可选)
|
|
输出方式
|
HTL-P(功率线驱动)
TTL/RS422
|
|
轴绝缘电压
|
适用于最高2.8 kV高压
|
|
传输距离
|
≤350 m,频率100 kHz (HTL-P)
≤550 m,频率100 kHz (TTL)
|
|
抗干扰性
|
EN 61000-6-2
|
|
辐射干扰
|
EN 61000-6-3
|
|
认证
|
CE
UL认证 / E217823
|
技术数据 – 机械参数
|
尺寸(法兰)
|
ø105 mm
|
|
轴类型
|
HOG10:
ø12…20 mm (盲孔型)
ø17 mm (锥孔型 1:10)
HOG10G:
ø16…20 mm (盲孔型)
ø17 mm (锥孔型 1:10)
|
|
允许轴负载
|
≤450 N 轴向
≤600 N 径向
|
|
防护等级(EN 60529)
|
IP 66
|
|
运行速度
|
≤6000 rpm (机械)
|
|
典型运行转矩
|
6 Ncm
|
|
转子惯量
|
340 gcm²
|
|
材质
|
外壳:压铸铝
轴:不锈钢
|
|
工作温度
|
HOG10:
-40…+100 °C
-25…+100 °C (>3072个脉冲)
-50…+100 °C (可选)
HOG10G:
-40…+100 °C
-25…+100 °C (>3072个脉冲)
|
|
耐抗性
|
IEC 60068-2-6
抗振动20 g,10-2000 Hz
IEC 60068-2-27
抗冲击300 g,6 ms
|
|
防腐蚀保护
|
IEC 60068-2-52 盐雾试验
室温条件下防腐等级达到ISO 12944-2 C4
|
|
防爆认证
|
II 3 G Ex ec IIC T4 Gc (气体)
II 3 D Ex tc IIIC T135°C Dc (粉尘)
(可选配ATEX防爆版)
|
|
连接
|
HOG10:
端子盒
端子盖
2x 端子盒 (带选项M)
HOG10G:
2x 端子盒
4个端子盒 (带选项M)
|
|
近似重量
|
HOG10:
1,6 kg
1,8 kg (选项M)
HOG10G:
2,9 kg
3,3 kg (选项M)
|
HOG10增量重载编码器外形及安装尺寸
HOG10
盲孔型或锥孔型
每圈300...5000个脉冲
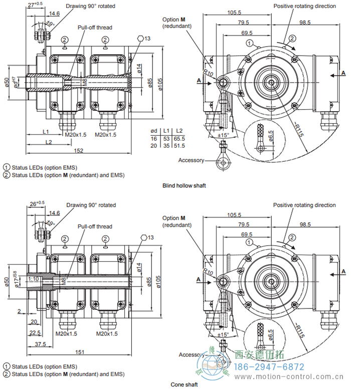
HOG10G
双编码器含两路电气独立的系统
每圈300...5000个脉冲
HOG10增量重载编码器订货选型参考
在订货时我们需要确认用户所购买的HOG10增量重载编码器的相关参数,以免给您造成不必要的损失。以下是订货时需要确认的一些参数,以及参数说明,供您参考选型。
HOG10
盲孔型或锥孔型
HOG10G
双编码器含两路电气独立的系统